Texas Instruments LM5140-Q1 Dual Low Iq Synchronous Buck Controller

Texas Instruments LM5140-Q1 Dual Low Iq Synchronous Buck Controller is intended for high voltage wide VIN step-down converter applications. The control method is based on current mode control. Current mode control provides inherent line feed-forward, cycle-by-cycle current limiting, and easier loop compensation. The LM5140-Q1 features adjustable slew rate control to simplify compliance with the CISPR and automotive EMI requirements. The LM5140-Q1 operates at selectable switching frequencies of 2.2MHz or 440kHz with the two controller channels switching 180º out of phase. In light or no-load conditions, the LM5140-Q1 operates in skip cycle mode for improved low power efficiency. The LM5140-Q1 synchronous buck controllers are AEC-Q100 qualified for automotive applications.

Features

  • AEC-Q100 grade 1 qualified (TA =–40ºC to 125ºC)
  • Input operating range from 3.8V to 65V (70V absolute maximum)
  • Two interleaved buck controllers with
    • VOUT1 fixed 3.3V, 5V, or adjustable from 1.5V to 15V, accuracy ±1%
    • VOUT2 fixed 5V, 8V, or adjustable from 1.5V to 15V, accuracy ±1%
  • Fixed 2.2MHz or 440kHz switching frequency, accuracy ±7%
  • Optional synchronization to an external clock
  • SYNC output clock for additional converters
  • Shutdown mode current: 9µA typical
  • No load standby current: 35µA typical (one channel operating)
  • Current limit threshold programmable to 50mV or 75mV, accuracy ±10%
  • Independent enable inputs for VOUT1 and VOUT2
  • Hiccup mode protection for sustained overload
  • Independent power good outputs
  • High-side and low-side gate drivers with
    • Adjustable slew rate control
    • Selectable diode emulation or continuous
    • Conduction at light load
  • VQFN-40 package with wettable flanks

Applications

  • Automotive electronics
  • Infotainment systems
  • Instrument clusters
  • Advanced Driver Assistance (ADAS)

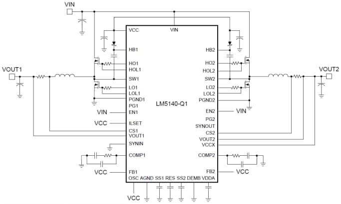
Application Schematic

Schematic - Texas Instruments LM5140-Q1 Dual Low Iq Synchronous Buck Controller
Published: 2016-04-13 | Updated: 2025-03-06