Texas Instruments ISO121x Isolated Digital Input Receivers

Texas Instruments ISO121x Isolated Digital Input Receivers are isolated 24V to 60V digital input receivers, compliant with IEC 61131-2 Type 1, 2, and 3 characteristics. These devices are suitable for programmable logic controllers (PLCs) and motor-control digital input modules. Unlike traditional optocoupler solutions with discrete, imprecise current limiting circuitry, the ISO121x devices provide a simple, low-power solution with an accurate current limit. This feature allows for the design of compact and high-density I/O modules. These devices do not require a field-side power supply and are configurable as sourcing or sinking inputs.

The ISO121x operates over the supply range of 2.25V to 5.5V, supporting 2.5V, 3.3V, and 5V controllers. A ±60V input tolerance with reverse polarity protection helps to ensure the input pins are protected in case of faults with a negligible reverse current. These devices support up to 4Mbps data rates passing a minimum pulse width of 150ns for high-speed operation. The ISO1211 device is ideal for designs that require channel-to-channel isolation, and the ISO1212 device is perfect for multichannel space-constrained designs.

Features

  • Compliant to IEC 61131-2; Type 1, 2, 3 characteristics
    • Accurate current limit for low-power dissipation:
      • 2.2mA to 2.47mA for Type 3
      • Adjustable up to 6.5mA
  • Eliminates the need for field-side power supply
  • High input-voltage range with reverse polarity protection: ±60V
  • Configurable as sourcing or sinking input
  • High data rates up to 4Mbps
  • High transient immunity of ±70kV/µs CMTI
  • Wide supply range (VCC1): 2.25V to 5.5V
  • Ambient temperature range of –40°C to +125°C
  • Compact package options:
    • Single-channel ISO1211, SOIC-8
    • Dual-channel ISO1212, SSOP-16
  • Safety-related certifications:
    • Basic insulation per DIN V VDE V 0884-10
    • UL 1577 recognition, 2500VRMS insulation
    • CSA, CQC, TUV certificates are available

Applications

  • Programmable Logic Controller (PLC):
    • Digital input modules
    • Mixed I/O modules
  • Motor drive I/O and position feedback
  • CNC control
  • 48V systems
  • Data acquisition
  • Binary input modules

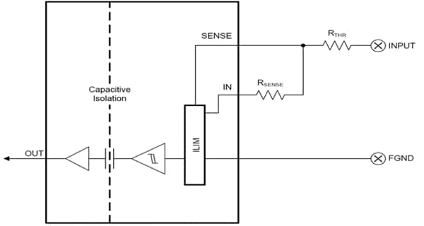
Functional Block Diagram

Block Diagram - Texas Instruments ISO121x Isolated Digital Input Receivers
Published: 2017-11-15 | Updated: 2025-06-13