Texas Instruments DLP5531Q1EVM Electronics Evaluation Module
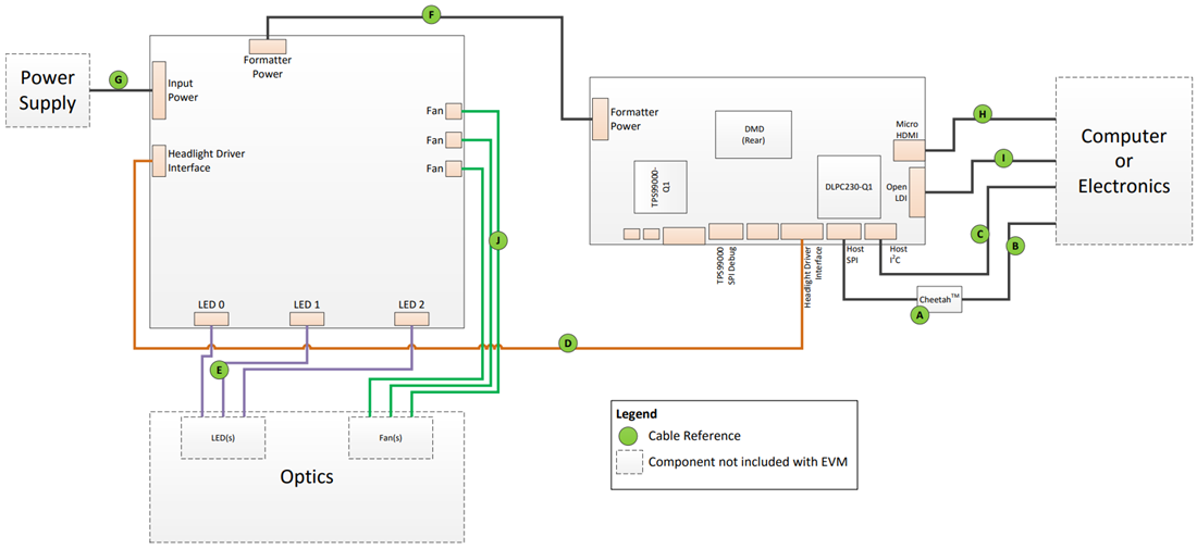
Texas Instruments DLP5531Q1EVM Electronics Evaluation Module (EVM) allows for the evaluation of the DLP5531-Q1 Chipset. This system consists of two subsystems, the Formatter Board and the Illumination Driver Board. This module brings together a set of components, including the Texas Instruments DLP5531-Q1, the DLPC230-Q1, and the TPS99000-Q1, to provide a system for the evaluation of high-resolution headlight technology. When combined with optics, input video sources, and a computer or other means of control, the evaluation module can demonstrate several items. These include Adaptive Driving Beams, Glare-Free Beam Steering, REflective Traffic Sign Dimming, Pedestrian Dimming, Symbol Projection, and OEM Branding.Features
- Complete DLP5531-Q1 electronic headlight subsystem
- HDMI and Open LDI interface for video input
- Windows GUI for configuration and control
Kit Contents
- Formatter board - includes the DLP5531-Q1 Chipset
- Illumination Driver Board - Includes illumination drivers and provides power to the formatter board
- Cheetah™ USB to SPI adapter
- Cables
- The kit does not include an optical engine
Cable Connections
Published: 2021-05-17
| Updated: 2025-03-11
