STMicroelectronics L99VR03 Linear Voltage Regulators
STMicroelectronics L99VR03 Linear Voltage Regulators are developed for standby microprocessor control-unit systems, particularly in automotive applications. The LDO provides up to 300mA of load current and consumes as low as 800nA of quiescent current when the regulator is disabled and only 3.5µA quiescent current at no load. The L99VR03 features an input voltage range operating up to 40V. The L99VR03 is housed in different output voltage options (3.3V or 5V).The STMicroelectronics L99VR03 Regulators have high output voltage accuracy (±2%) maintained over a wide temperature range, line, and load variation. The regulator output current is internally limited to protect the device against short-circuit, as it features overtemperature protection.
The L99VR03 is available in a VFDFN8L wettable flank or PWSSO12 package.
Features
- AEC-Q100 qualified
- Wide input voltage range up to 40V
- Low quiescent current consumption
- Output voltage options of 3.3V or 5V
- Output voltage precision ±2% in all operating conditions
- Enable input for enabling/disabling the voltage regulator
- Thermal shutdown and short-circuit current limitation
- Undervoltage-lockout UVLO
- Wide operating temperature range TJ = -40°C to 175°C
- Sustaining slow ramp-up applications
- Supply voltage rejection at >60dB at 1kHz
- Performant line and load regulation
Applications
- Automotive MCU power supplies
- Body control modules
- Telematics control units
- Automotive head units
- Headlights
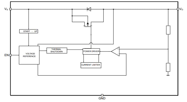
Block Diagram
Published: 2025-08-07
| Updated: 2025-08-20
