Renesas Electronics 8A34044 4-Ch Universal Frequency Translators
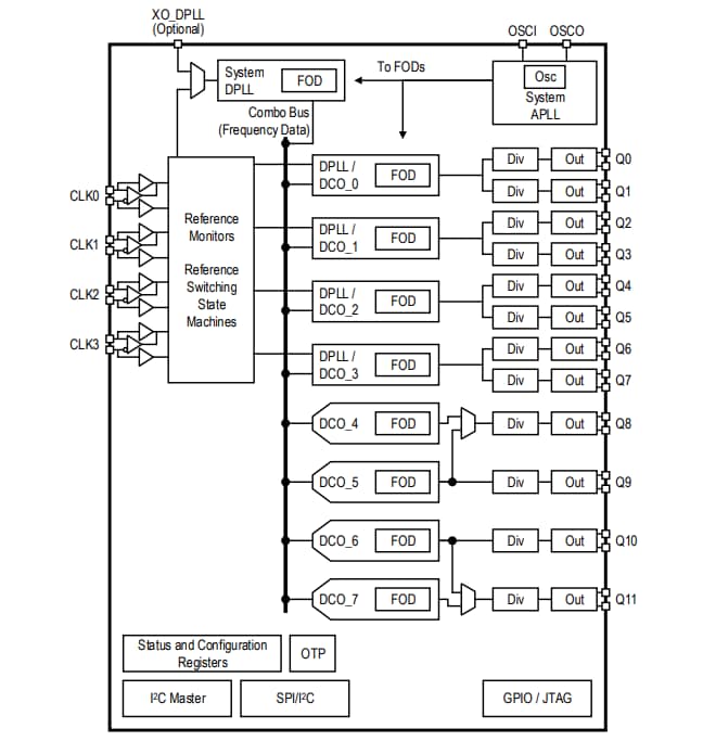
Renesas Electronics 8A34044 4-Channel Universal Frequency Translators offer two Digital PLL (DPLL) channels and six Digitally Controlled Oscillator (DCO) channels. The DPLLs can lock to external references or operate in a free run and can be configured as DCOs, which can be synchronized by any of the DPLLs. Alternatively, The DCOs can be controlled by an external algorithm for Optical Transport Network (OTN) applications. Renesas Electronics 8A34044 can synchronize communication ports, online cards, or daughter cards connected with synchronization sources across backplanes or other media.The 8A34044 Translators support multiple independent timing channels for clock generation, jitter attenuation, and universal frequency translation. The input-to-input, input-to-output, and output-to-output phase skew can all be managed precisely. The device outputs ultra-low-jitter clocks that can directly synchronize SERDES running at up to 28Gbps and includes CPRI/OBSAI, SONET/SDH, and PDH interfaces.
Features
- Two independent Digital PLLs (DPLLs)
- Six independent Digitally Controlled Oscillators (DCOs)
- Jitter output below 150fs RMS (typical)
- DPLLs lock to any frequency from 1kHz to 1GHz
- DPLLs / DCOs generate any frequency from 0.5Hz to 1GHz
- DCO outputs can be aligned in phase and frequency with the outputs of any DPLL or DCO
- Supports up to 2 differential or 4 single-ended reference clock inputs
- Device requires a 25MHz to 54MHz crystal oscillator or fundamental-mode crystal
- Supports up to 12 differential outputs or 24 LVCMOS outputs
- Reference monitors qualify/disqualify references depending on LOS, activity, frequency monitoring, and/or LOS input pins
- Automatic reference selection state machines select the active reference for each DPLL based on the reference monitors, priority tables, revertive / non-revertive, and other programmable settings
- Optional XO_DPLL input allows a wider range for XO, TCXO, or OCXO frequencies from 1MHz to 150MHz for applications that require a local oscillator with high stability
- Serial processor ports support 1MHz I2C or 50MHz SPI
- The device can configure itself automatically after reset via:
- Internal Customer-programmable One-Time Programmable Memory
- Standard external I2C EPROM via separate I2C Master Port
Applications
- Core and access IP Switches/Routers
- Synchronous Ethernet equipment
- 10Gb, 40Gb, and 100Gb Ethernet interfaces
- Wireless infrastructure for 4.5G and 5G network equipment
- OTN muxponders and line cards
Additional Resources
Block Diagram
Published: 2019-02-20
| Updated: 2023-06-13
