Infineon Technologies ICE5QRxx80BG-1 CoolSET™ Converters
Infineon Technologies ICE5QRxx80BG-1 CoolSET™ Converters are 5th generation Quasi Resonant Plus integrated power ICs optimized for off-line switch power supply. These converters feature an integrated 800V avalanche rugged CoolMOS™, cycle-by-cycle peak current limitation, and digital frequency reduction for higher system efficiency. The ICE5QRxx80BG-1 converters can achieve fast startup with cascade configuration. These converters have a minimum switching frequency difference between low- and high-line for high system efficiency and low Electromagnetic Interference (EMI). The ICE5QRxx80BG-1 converters offer maximum on/off time limitation to avoid audible noise during start-up and power down. These converters are RoHS compliant. Typical applications include Blu-ray players, set-top boxes, LCD/LED monitors, and auxiliary power supplies for home appliances/white goods, TV, PC, and servers.Features
- Integrated 800V avalanche rugged CoolMOS™
- Novel Quasi resonant operation and proprietary implementation for low EMI
- Active Burst mode with selectable entry and exit standby power to reach the lowest standby power of <100mW
- Fast startup achieved with cascode configuration
- Digital frequency reduction for higher system efficiency
- Minimum switching frequency difference between low & high line for higher system efficiency and low EMI
- Cycle-by-cycle peak current limitation
- Maximum on/off time limitation to avoid audible noise during start up and power down
- Auto restart mode protection for VCC over-voltage, VCC under voltage, overload/open loop, line/output over-voltage, brownout, and over-temperature
- Increased pin voltage rating for ease of system design
- Pb-free lead plating, halogen-free mold compound, and RoHS-compliant
Applications
- Auxiliary power supply for:
- Home appliances/white goods
- TV
- PC
- Server
- Blu-ray player
- Set-top box
- LCD/LED monitor
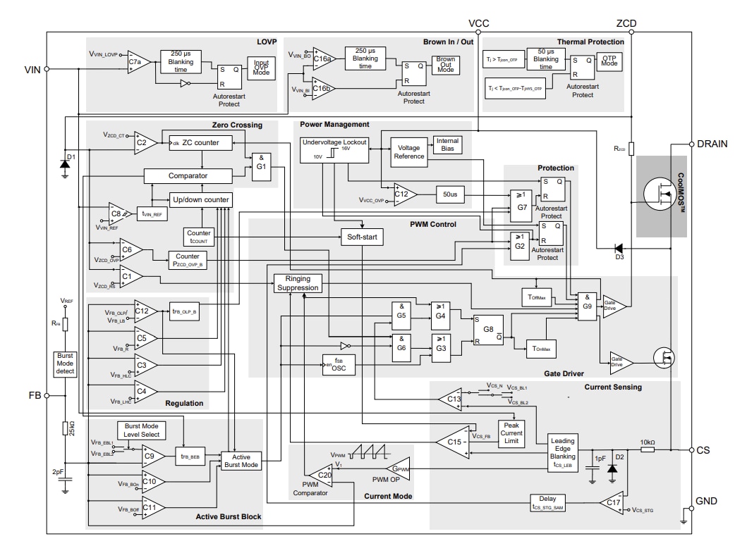
Block Diagram
Typical Application in Isolated Flyback using TL431 and Optocoupler
Additional Resource
Published: 2025-03-27
| Updated: 2025-04-10
