Infineon Technologies 6500V IGBT Modules
Infineon Technologies 6500V IGBT Modules are XHP™3 225A dual IGBT module with Trench/Fieldstop IGBT3 and Emitter Controlled three diode. The 6500V IGBT Modules provide many electrical features, including high dynamic robustness, low VCEsat, and Trench IGBT 3. The Infineon 6500V IGBT Modules are packaged with enhanced insulation of 10.4kV AC 10s.Features
- Electrical features
- High dynamic robustness
- Low VCEsat
- Trench IGBT 3
- Mechanical features
- Package with CTI > 600
- Package with enhanced insulation of 10.4kV AC 10s
- AlSiC base plate for increased thermal cycling capability
- Extended storage temperature down to Tstg = -55°C
- High creepage and clearance distances
- Housing material compliant with the classification R23 (HL3) of the EN45545-2 "Fire protection of railway vehicles"
Applications
- Traction drives
- Medium voltage converters
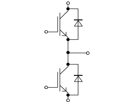
Circuit Diagram
Published: 2021-06-11
| Updated: 2022-03-11
